お問合せ アイコン
開発製品

SDS for E3D (Support Drawing System)

製品概要

PRODUCT OVERVIEW

SDSはAVEVA E3D(3D設計ツール)用 の配管サポート3Dモデリング&自動作図プログラムです。
E3D標準サポートモジュールとは別のスクリプトプログラム(PML)で構成されたサードパーティのアドオンプログラムとなります。
プラットフォームはAVEVA™ E3D Design 3.1.0 以上で使用が可能です。

主な機能

FUNCTION

  • 配管サポートの3Dモデリング

    配管拘束部品・サポート部材の3Dモデル入力が可能です。
    シンプルなフォーム・操作方法により素早く正確に入力する事が出来ます。

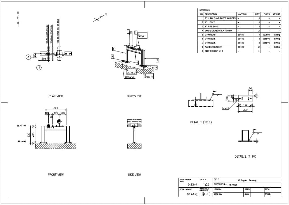
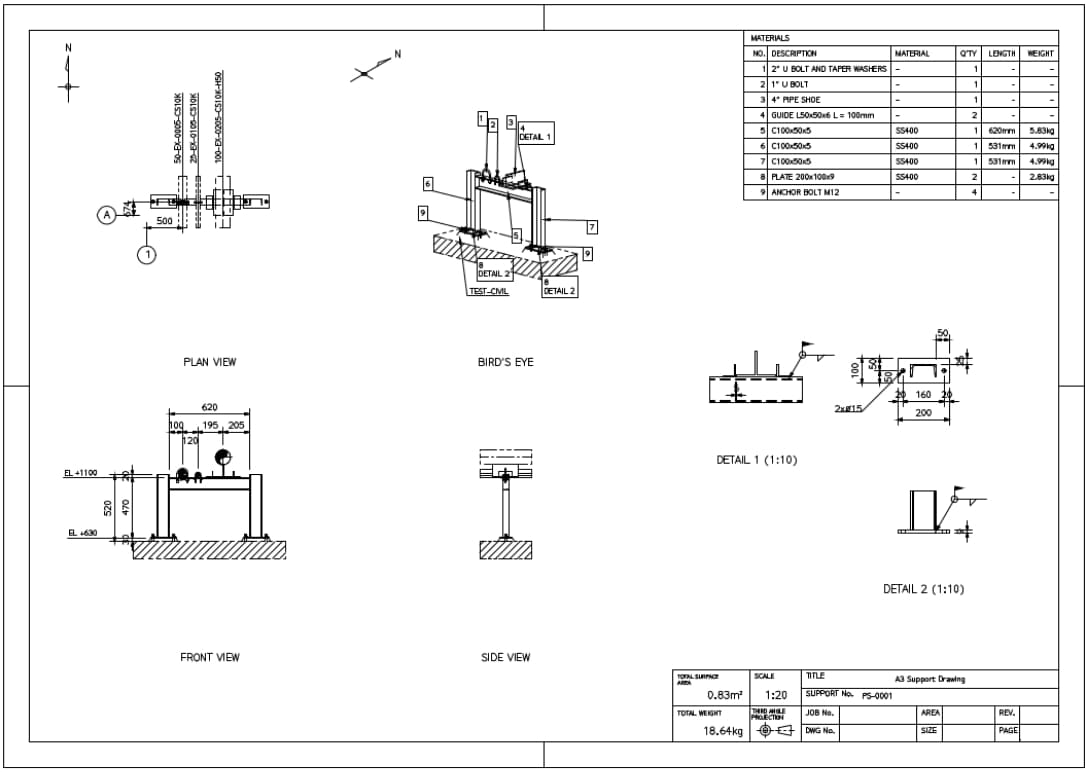
  • 配管サポート図面の自動作図

    手修正が不要な配管サポート図面を自動で作図出来ます。
    図面の部分的な更新や出図時のエラーチェックも併せて行う事が可能です。

  • 配管サポートリスト及びMTOの出力

    配管拘束部品・サポート部材のMTOを出力できます。
    集計部品は配管サポート図面の部品欄と一致している為、図面との食い違いが無く正確な数量及び重量を集計する事が可能です。

  • Auto Name

    初期設定不要で入力されているサポートNo.の末尾番号を判断し、自動で連番のサポートNo.の付番が出来ます。
    No.の付け方は自動か手動で選択が可能です。

    Auto Name
  • サポート部材のクリアランス自動調整

    サポート部材の端部クリアランスが登録した値に自動で調整されます。
    鋼材端部がOpenかCloseかを自動で判断しクリアランスを決定します。

  • サポート部材の延長
    /据え付け方法の選択

    サポート部材を任意の壁/床まで延長が可能です。
    鋼材入力時に据え付け方法を選択出来ます。
    ベースプレートを選択した場合は3Dモデル/図面にプレートやアンカーボルトが反映されます。

  • 配管拘束部品の追加/変更

    配管拘束部品の追加及び変更は、配管部品同様にカタログにて形状の作成・編集を行い、専用のオプションファイルに必要情報を書き込む事で可能です。

  • 配管サポート図面の自動作図

    自動で配管サポート図面を作図します。その他以下の機能を搭載しております。
    ・線同士の重なりが少ない寸法を自動入力。
    ・Gridの自動判別及び作図。
    ・ベースプレートの穴開け詳細を作図。
    ・ベースプレート/アンカーボルトの集計。

  • 配管サポートリスト及びMTOの出力

    簡単な操作で配管サポートリストとMTOの出力が可能です。
    ファイル形式はCSV形式で出力されます。
    集計する項目は任意に設定する事が出来ます。

ライセンス

LICENSE

初期費用
無料
※マニュアル・サンプルカタログ無償提供
ライセンス使用料
50,000円 (税別) / 1user – month(s)
利用ライセンス
1user ~

お問合せ

CONTACT

開発製品についてのお問い合わせ、SDS for E3Dのお申込み・紹介デモのご依頼は下記より

開発製品

DEVELOPMENT PRODUCT